F150 Light Switch Diagram

f150 light switch diagram
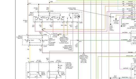
2002 Ford F-150 No Brake Lights, A Wire Has Became ... f150 light switch diagram
Jaseem’s Venomous Roush Raptor | Bickford Motorsports f150 light switch diagram
1980-1991 Ford Turn Signal Cam Replacement (Tilt Column ... f150 light switch diagram
Installed UpFitter / Auxiliary Switches - Ford Raptor to ... f150 light switch diagram
Stuck in park? How to quickly get 04-08 Ford F-150 out of ... f150 light switch diagram
Door Ajar Switch - YouTube f150 light switch diagram
Ford P061B Diagnostics: Common Causes and Checks - YouTube f150 light switch diagram
Ford, Raptor 2017 Fog Pocket Kit Unlimited | Baja Designs f150 light switch diagram
How to Replace Window Regulator 93-11 Ford Ranger - YouTube f150 light switch diagram
How to Remove Dash Panel & Factory Stereo | 2013 Ford F150 ... f150 light switch diagram
Blog Post | What Does This Button On the Ford F-250 Super ... f150 light switch diagram
QUICKTIP: How to fix Vehicle's OBD2 port that won't power ... f150 light switch diagram
Key stuck in ignition Ford Focus 2006 - YouTube f150 light switch diagram
2011 Toyota Tundra Crewmax Courtesy Light 120cm SMD LED ... f150 light switch diagram
How to Install Chevrolet Silverado Cargo Light LEDs - YouTube f150 light switch diagram
2002 Mitsubishi Montero XLS 4x4 ghost light problem - YouTube f150 light switch diagram
How to install a GM Door Chime in a Jeep Grand Cherokee ... f150 light switch diagram
Car fan / AC only works on high - Replacing the Blower ... f150 light switch diagram
How To Fix Repair a Stuck Locked Jammed Seat Belt ... f150 light switch diagram
How To Remove Install Front Interior Door Panel 2009-2012 ... f150 light switch diagram

F150 Light Switch Diagram


Please create a FREE ACCOUNT to continue reading or download !

Start Your FREE Month!!