Mercury Magnetics Wiring Diagram

mercury magnetics wiring diagram
Transformer - Hammond, Output for Marshall, 50W 3.2kΩ ... mercury magnetics wiring diagram
Mercury Magnetics Egnater Tweater 40 Power Transformer ... mercury magnetics wiring diagram
Transformer - Hammond, 240V for Deluxe, Deluxe Reverb ... mercury magnetics wiring diagram
Mercury Magnetics Egnater Tweaker 40 watt Output ... mercury magnetics wiring diagram
You guys with the DSL 50/100s need to... | MarshallForum.com mercury magnetics wiring diagram
Mosfet amp transformer output - The Paper Horn by Inlow Sound mercury magnetics wiring diagram
Metro-Spec - Dagnall C1998 100W OT – Metropoulos Amplification mercury magnetics wiring diagram
Jca50H / 100h/ 22h mod thread and owners club | Harmony ... mercury magnetics wiring diagram
Amp Build mercury magnetics wiring diagram
Laney Schematics mercury magnetics wiring diagram
Jeti Duplex 2.4Ghz Telemetry mercury magnetics wiring diagram
Dan Becker's Power-Scaled Vox AC4 Amplifier Build mercury magnetics wiring diagram
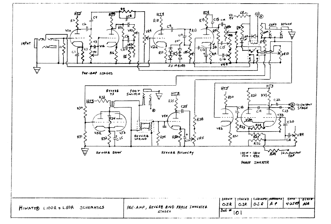
Hiwatt Schema's mercury magnetics wiring diagram
Orange Schematics mercury magnetics wiring diagram
Orange Schematics mercury magnetics wiring diagram
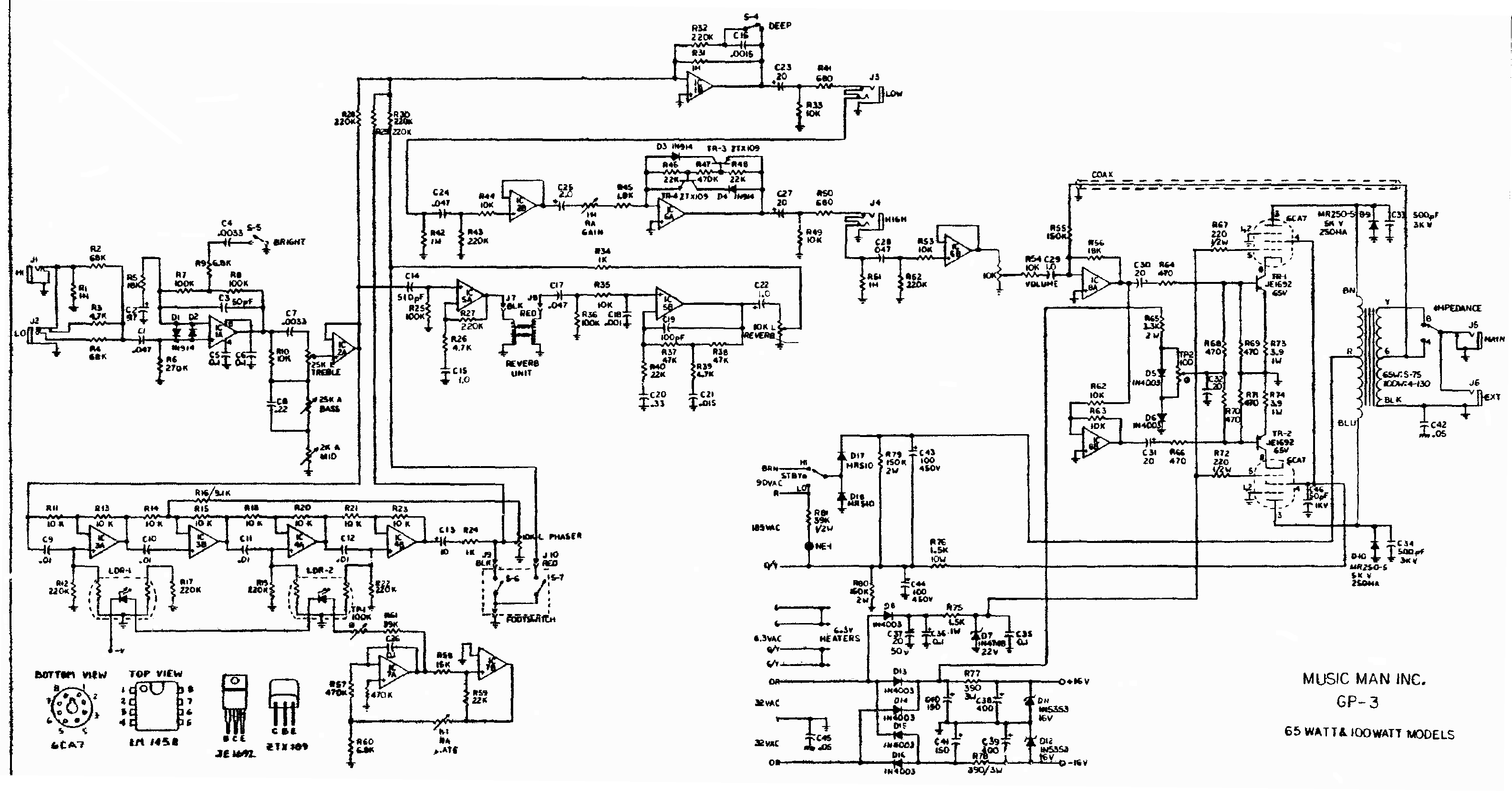
Music Man Schematics mercury magnetics wiring diagram
Ampeg Schematics mercury magnetics wiring diagram
Risk Assessment For Soldering mercury magnetics wiring diagram

Mercury Magnetics Wiring Diagram


Please create a FREE ACCOUNT to continue reading or download !

Start Your FREE Month!!